【結構圖片】

【結構說明】
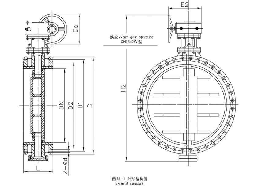
上海凱利科為您提供脫硫蝶閥結構圖,本結構圖希望對您有所幫助。
1、脫硫蝶閥結構設計的主要依據國家相關標準規定設計。
2、脫硫蝶閥所采用的通用做法和標準構件圖集。
3、如有特殊脫硫蝶閥構件需作結構性能檢驗時,應指出檢驗的方法與要求。
4、脫硫蝶閥主要根據剖面、長度、高度、外形等作出說明。
5、脫硫蝶閥所選用結構材料的品種、規格、性能及相應的產品標準。
【結構總結】
脫硫蝶閥結構主要是給安裝單位提供具有更好的了解該脫硫蝶閥的外形結構、使用時考慮到工況、環境等因數在應用中有著更合理的計劃規范,不會在安裝時產生空間使用不合理等常見問題。本結構圖所屬上海凱利科閥門有限公司提供,并提供相關外形尺寸,在應用中可以作為參考。